Audio playback

Using Zynq Programmable Logic and Xilinx tools to create custom board configurations

Re: Audio playback

Postby patc » Fri Mar 25, 2016 10:40 pm

Thanks again Nick.
patc
 
Posts: 83
Joined: Wed Aug 06, 2014 7:18 pm

Re: Audio playback

Postby patc » Sat Mar 26, 2016 5:18 pm

Howdy Parallella-DAC

It's getting time for some serious listening & testing...
Attachments
dac1.JPG
dac1.JPG (233.65 KiB) Viewed 47498 times
dac2.jpg
dac2.jpg (176.21 KiB) Viewed 47498 times
patc
 
Posts: 83
Joined: Wed Aug 06, 2014 7:18 pm

Re: Audio playback

Postby patc » Wed Mar 30, 2016 1:33 pm

Listening first impressions

Both PCM and DSD modes give excellent results but I clearly prefer DSD. It's like the stage opens up and goes up in space, the music fulfills the room better and gives a more natural impression.

In this setup I used the Denon home-theater speakers instead because I wanted to first listen to the full-range (~40Hz to 20kHz) even though the speakers sound quality is not that good and the sensitivity is way too low for the 300B.

A remote control is used for either volume setting or on-the-fly A/B switch for PCM/DSD mode selection as follows:
- turn CS-3310 mute ON
- set both DSD-1794A to either PCM or DSD
- adjust the CS-3310 volume level to compensate for the differences between PCM & DSD
- wait ~1s delay to let the DSD-1794A's stabilize
- turn CS-3310 mute OFF

The digital amp below is only used to get commands from the remote control and issues RS232 sequences which are interpreted by the Parallella Zynq controlling the DSD-1794A's and CS-3310.

(little dog couldn't care less about PCM or DSD!)
Attachments
dac1.jpg
dac1.jpg (196.29 KiB) Viewed 47452 times
patc
 
Posts: 83
Joined: Wed Aug 06, 2014 7:18 pm

Re: Audio playback

Postby patc » Tue Apr 05, 2016 9:33 am

measurements workflow:
- Parallella #1: 24-bit SPDIF @88200 output
- Parallella #2: DAC (PCM = 24-bit, DSD = 20-bit)
- ADC CS-5381: 24-bit SPDIF @88200 output
- Parallella #1: SPDIF input to SD-card

same clock being distributed to all 3 parts: source - DAC - ADC
Attachments
sine.jpg
sine.jpg (430.64 KiB) Viewed 47408 times
sine1.jpg
sine1.jpg (448.83 KiB) Viewed 47408 times
sine2.jpg
sine2.jpg (454.86 KiB) Viewed 47408 times
patc
 
Posts: 83
Joined: Wed Aug 06, 2014 7:18 pm

Re: Audio playback

Postby patc » Wed Apr 20, 2016 4:06 pm

M.R. who I consider the hifi guru once told me that he found digital amps and digital room correction to be the best for a tight control of bass but for the other part of the audio spectrum he still prefers analog (tube) amps.

Bass are the most difficult part to reproduce and he designed and built his auditorium making the walls as horns integrating 12 Altec 515 !!! (picture #1 below taken from the Net)

So far I've been using a quad-digital amps setup but I always wanted to give a shot to the path: bass = digital and mid/high = analog

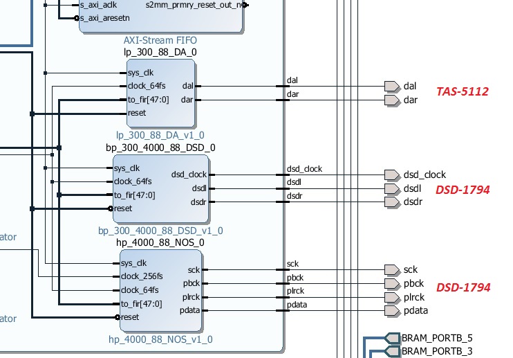
- low-pass 300Hz: dal/dar feeding a TAS-5112 IC (class-D amp)
- band-pass 300-4000Hz: dsd_clock/dsdl/dsdr feeding two DSD-1794 in DSD mode then class-A 300B tube amp
- high-pass 4000Hz: sck/pbck/plrck/pdata feeding two DSD-1794 in NOS-PCM mode then class-AB transistor amp

(since the DSP part is under the same hood this setup will be completely PLL-free, which was not the case with my Tact digital amps)

Basically every part has been tested individually and seems to be working fine (including the TAS-5112 for which I had an issue early on). Still a lot of work though to re-build and integrate everything together...
Attachments
mr.jpg
mr.jpg (54.93 KiB) Viewed 47319 times
tri-amp.jpg
tri-amp.jpg (126.29 KiB) Viewed 47319 times
3way.jpg
3way.jpg (95.55 KiB) Viewed 47319 times
patc
 
Posts: 83
Joined: Wed Aug 06, 2014 7:18 pm

Re: Audio playback

Postby patc » Fri Apr 29, 2016 9:32 pm

Digital amp output measurements

When comparing the homemade TAS-5112 digital amp with the high-end Tact M2150 under the same conditions, the TAS-5112 doesn't look too shabby
Attachments
meas.jpg
meas.jpg (106.41 KiB) Viewed 47263 times
meas1.jpg
meas1.jpg (462.28 KiB) Viewed 47263 times
meas2.jpg
meas2.jpg (331.79 KiB) Viewed 47263 times
patc
 
Posts: 83
Joined: Wed Aug 06, 2014 7:18 pm

Re: Audio playback

Postby patc » Sat May 14, 2016 9:42 am

The new expansion board exposes 30 GPIO's on 4 connectors for:
- TAS-5112 digital amp (bass)
- DSD-DAC (midrange)
- DSD-DAC or NOS_PCM-DAC (tweeter)
- measurement microphone ADC

(any combinations possible, like a Lego! The only limitation is the number of FPGA resources which I'm getting pretty close to hit on the 7020 using something like: 3 stereo crossover FIR compilers with 1023 taps each, 4 stereo upsamplers, 3 stereo sigma-delta modulators...)

then 2 GPIO's are used for SPDIF input 1 & 2 and PROG_IO for the audio clock. The rest is being used for display and touchscreen

The audio oscillator is located very close to the connector and is powered with a dedicated ultralow noise LDO

I still have to build the midrange and tweeter DACs as well as the microphone ADC and the power supply but I intend to experiment a bit with the DSD1793 first (instead of the DSD1794 I've been playing with so far)
Attachments
IMG1.jpg
IMG1.jpg (283.81 KiB) Viewed 47208 times
IMG2.jpg
IMG2.jpg (168.69 KiB) Viewed 47208 times
IMG3.jpg
IMG3.jpg (284.95 KiB) Viewed 47208 times
patc
 
Posts: 83
Joined: Wed Aug 06, 2014 7:18 pm

Re: Audio playback

Postby patc » Sun Jun 05, 2016 3:56 pm

Closely following the TI application notes, here's the TAS-5612 digital amp which should be markedly better than the TAS-5112.

Since TI recommends a 70 microns copper layer thickness, I ordered the PCB on DFRobot.com and although I still need to make measurements, it seems to be working pretty well so far.

By reducing the number of taps from 63 to 31 for both bass and low midrange upsamplers, it seems that four upsamplers+sigma-delta modulators can fit in the 7020, so if everything works out well I intend to get 4 x TAS-5612 together with the Parallella in the same enclosure. And icing on the cake if I have enough GPIOs, squeeze a CD-ROM player in...
Attachments
tas5612.jpg
tas5612.jpg (321.21 KiB) Viewed 47125 times
amps.jpg
amps.jpg (146.43 KiB) Viewed 47125 times
patc
 
Posts: 83
Joined: Wed Aug 06, 2014 7:18 pm

Re: Audio playback

Postby patc » Tue Jun 07, 2016 4:27 pm

Front Panel (1 Digital & 2 Analogs)
There was no way I could mill 8mm thick aluminium with my CNC so I just used it to make a guide from epoxy and bakelite leftovers and did the milling with my woodworking router.

A couple of mistakes though:

- I wore protection gloves during the milling thus didn't feel the aluminium getting hot to the point where the protective sheet (orange color) started to peel off

- the epoxy guide wasn't hard enough and slightly eroded after multiple passes

Still I'm pretty pleased with this first result with thick aluminium.

(CNC running with a STM32F4 under NETMF inside what used to be an old USB1.0 hub)
Attachments
fp1.jpg
fp1.jpg (210.82 KiB) Viewed 47109 times
fp2.jpg
fp2.jpg (181.83 KiB) Viewed 47109 times
fp3.jpg
fp3.jpg (150.41 KiB) Viewed 47109 times
patc
 
Posts: 83
Joined: Wed Aug 06, 2014 7:18 pm

Re: Audio playback

Postby patc » Tue Jul 05, 2016 12:07 pm

still one more DAC module to build as well as the mic ADC...

For the TAS5112A digital amp volume control, I selected an OPA549 from TI with an AD5142A digital potentiometer from AD to make the H-bridge power supply programmable from 1V to 29V and it is part of the power supply PCB. However with hindsight, if I had to do it again I would put both the OPA549 and digital pot in the digital amp enclosure.
Attachments
ps.jpg
ps.jpg (297.17 KiB) Viewed 47025 times
tas5112.jpg
tas5112.jpg (198.42 KiB) Viewed 47025 times
IMG1.jpg
IMG1.jpg (209.56 KiB) Viewed 47025 times
patc
 
Posts: 83
Joined: Wed Aug 06, 2014 7:18 pm


Return to FPGA Design

Who is online

Users browsing this forum: No registered users and 17 guests